Таль электрическая канатная Т 45316 (1т 6м)
Описание
Передвижная электрическая канатная таль серии Т 45 с уменьшенной строительной высотой выпускается с 2-мя скоростями подъема 8 либо 12 м/мин. В стандартном исполнении тали присутствует микроскорость подъема в соотношении 1/2. Тали Т45 выпускаются в стандартном исполнении грузоподъемностью до 5 тонн и с высотами подъема до 12 метров.
Опционально электроталь может быть оснащена:
Опционально электроталь может быть оснащена:
- Ограничитель грузоподъемности
- Микроскорость перемещения (горизонтального)
- Радиоуправление
Характеристики
|
Грузоподъемность, кг
|
1000 |
|
Высота подъема, м
|
6 |
|
Тип тали
|
канатная |
|
Тип привода
|
электрический |
|
Каретка перемещения
|
с электроприводом |
|
Скорость подъема, м/мин
|
8, 12 |
|
Микроскорость
|
1/2 |
|
Скорость перемещения, м/мин
|
20 |
|
Кратность полиспаста
|
2/1 |
|
Профиль пути/ширина полки, мм
|
110 - 150 |
|
Мин. радиус поворота пути, м
|
2.0000 |
|
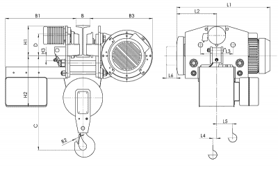
Строительная высота, мм
|
550.0000 |
|
Напряжение питания, В
|
3x380 |
|
Мощность двигателя, кВт
|
1.5, 0.12 |
|
Габаритные размеры, мм
|
705х550х729 |
|
Масса, кг
|
220 |





